Abkürzungsliste
Vokabular
mikros-
kopische
Anatomie
Fachtermini
Deutsch
+ Englisch
erklärt

Alle publizierten Inhalte wurden eingehend geprüft, dennoch wird keine Haftung für Richtigkeit und Vollständigkeit der Angaben übernommen !

of this page

Editor:
Dr. med.
H. Jastrow


Nutzungs-
bedingungen
Miniaturbildübersicht rauhes endoplasmatisches Retikulum (RER; Reticulum endoplasmicum granulosum):
Bereits bezeichnete Abbildungen lassen sich durch Anklicken des Textes aufrufen!
Detailbild des
RER
Abschnürung von
Vesikeln aus den RER
der Samenblase
RER in einer exo-
krinen Pankreaszelle
RER in einer
Plasmazelle
dilatiertes RER in
einer Bowmannschen
Nasendrüsenzelle
RER in Leberzellen
dilatiertes RER in
einer Plasmazelle
dilatiertes RER und
primäres Lysosom
RER und Golgi-Apparat
in einer Plasmazelle
dilatiertes RER eines
Fibroblasten
RER in einer
Plasmazelle (Mensch)
viel RER in einer Hauptzelle
des Magens (Schwein)
RER in Nissl Schollen, Gang-
lienzelle (Meerschweinchen)
Detail: Nissl Scholle
= RER + Ribosomen
RER + Nissl Schollen, Pur-
kinjezelle Kleinhirn (Ratte)
Bildung einer Nissl
Scholle Kleinhirn (Ratte)
vereinzelte RER Schläuche
Neuron Großhirn (Ratte)
RER endokrine Zelle, Adeno-
hypophyse (Ratte)
RER Plasmazelle 1 aus der Gaumen-
mandel (Tonsilla pharyngea, Mensch)
Detail:
Zytoplasma
Plasmazelle 2 aus der 
Tonsilla pharyngea (Mensch)
Detail 1:
Zytoplasma
Detail 2:
RER
Detail 3:
RER
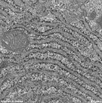
paralleles RER, Ohr-
speicheldrüse (Ratte)
menschliche Plasmazelle
Übersicht
Plasmazelle: RER
(Mensch)
RER und
Lipofuszin-Vesikel (Mensch)
RER Plasmazelle
(Mensch)
RER und primäre Lysosomen
(Plasmazelle, Mensch)
teils dilatiertes RER,
Ohrspeicheldrüse (Ratte)
Das rauhe oder granulierte endoplasmatische Retikulum (Terminologia histologica: Reticulum endoplasmicum granulosum; englisch: rough endoplasmic reticulum) ist ein dreidimensionales Hohlraumsystem aus Bläschen, Kanälchen und plattenförmigen Zisternen an deren Außenseite Ribosomen in relativ regelmäßigem Abstand verankert bzw. aufgereiht sind. Die stets paarweise angeordneten Membranen haben einen Abstand von 20 – 60 nm zueinander, der bei hoher Stoffwechselaktivität und Proteinspeicherung an entsprechenden Stellen deutlich zunehmen (dilatieren) kann. RER Membranen können kontinuierlich mit der Kernmembran in Verbindung stehen, wodurch der Innenraum des RER in den perinucleären Raum (Raum zwischen innerer und äußerer Kernmembran) übergeht. Das RER sammelt, speichert und transportiert Proteine, die von den auf den Außenseiten seiner Membranen verankerten Ribosomen produziert werden. Viele dieser Proteine sind nicht für den zelleigenen Gebrauch, sondern werden als Sekrete abgegeben. RER bildet kleine Transportvesikel, die zum Golgi-Apparat oder zur Zellmembran hin wandern, um dort mit den Membranen zu verschmelzen, wobei ihr proteinreicher Inhalt freigesetzt wird. Viel RER findet sich in Zellen, die viele Proteine synthetisieren z.B. Plasmazellen, exokrine Drüsenzellen, Nervenzellen, Osteo-, Chondro- und Fibroblasten. Rauhes ER kann sich auch direkt in glattes (agranuläres) ER fortsetzen, was besonders in Leberzellen gelegentlich zu beobachten ist. Als Ergastoplasma oder Nissl-Scholle (oder Tigroid-Substanz; Terminologia histologica: Substantia chromatophilica; englisch chromatophilic substance) bezeichnet man das aus weitgehend parallel angeordneten Membranen betehende RER in Verbindung mit benachbarten freien Ribosomen in Nervenzellen. RER färbt sich lichtmikroskopisch basophil an, da sich an den hier gebundenen Ribosomen viele saure Botenribonucleinsäuren (englisch: messenger ribonucleic acids; RNAs) finden. Diese tragen die Information für die Animosäuresequenzen der Proteine, die hier an den Ribosomen im Vorgang der Translation synthetisiert werden.

--> glattes endoplasmatische Retikulum, Ribosomen, Zytoplasma, Golgi-Apparat, Kernmembran, Sekretvesikel, Plasmazellen
--> Elektronenmikroskopischer Atlas Gesamtübersicht
--> Homepage des Workshops


Drei Bilder wurden von Prof. H. Wartenberg zur Verfügung gestellt, übrige Aufnahmen, Seite & Copyright H. Jastrow.