Abkürzungsliste
Vokabular
mikros-
kopische
Anatomie
Fachtermini
Deutsch
+ Englisch
erklärt

Alle publizierten Inhalte wurden eingehend geprüft, dennoch wird keine Haftung für Richtigkeit und Vollständigkeit der Angaben übernommen !

of this page

Editor:
Dr. med.
H. Jastrow


Nutzungs-
bedingungen
Miniaturbildübersicht Tight-junction (Zonula occuldens):
Bereits bezeichnete Abbildungen lassen sich durch Anklicken des Textes aufrufen
Zonula occludens =
Tight-junction (Detail, Affe)
Schlußleiste mit Tight-
Junction, Desmosom (Affe)
Schlußleiste mit Tight- 
junction, Desmosom 2 (Affe)
komplette Schlußleiste 
mehrere Desmosomen (Ratte)
Tight-junction der
Blut-Liquor Schranke (Ratte)
Zonula occuldens et adhaerens
Rachenmandel (Mensch) 1
idem + terminales Netz
Rachenmandel (Mensch) 2
Tight junction Rachen-
mandel (Mensch) 3
Tight junction Rachen-
mandel (Mensch) 4
Tight junction Rachen-
mandel (Mensch) 5
Tight junction
Basilarmembran (Ratte)
idem zwischen
den Epithelzellen (Ratte)
Tight junction zwischen
2 Leberzellen (Ratte)
Tight junction zwischen
2 Leberzellen (Ratte)

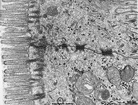
Tight-junctions (Barrienkontakte, Terminologia histologica: Junctiones occludentes; zumeist Zonulae occludentes; auch in Deutschen wird oft der englische Begriff tight-junctions selten occluding junctions verwendet) sind leistenförmige Kontaktstellen zwischen Zellmembranen, die elektronenmikroskopisch so eng erscheinen, als wären hier die Membranen miteinander verschmolzen.
Tatsächlich finden sich die eigentlichen Kontakte jedoch nur zwischen in die äußere Schicht der beteiligten Zellmembranen eingelagerten Proteinen statt. Dabei handelt es sich um das Transmembranprotein Occludin, das 3 - 4 nm groß ist sowie Claudin 1-24 und das junctionale Adhäsionsmolekül JAM. Während Claudin 5 in allen Tight-junctions vorkommt sind andere Claudine gewebsspezifisch, Claudin 2 kommt nur in Nieren- und Leberepithelzellen vor, Claudin 11 in Myelinscheiden des ZNS und Sertoli-Zellen. Das Paracellin-1 genannte Claudin 16 ermöglicht selektiv die Magnesiumionenresorption im distalen Nierentubulus. Die Tight-junctions bestehen nur über extrem kurze Abschnitte von wenigen Nanometern, die wie erst in Gefrierbrüchen sichtbar wird, zu einem Netzwerk globulärer, kettenartig aneinander gereihter, Occludinmoleküle gehören, welche die beteiligten Epithelzellen in mehreren untereinander gestellten Leisten "aneinanderschweißen" (Terminologia histologica: Rete cristarum occludentium; englisch: fusion ridge network). Jedoch bestehen zwischen den kettenartig aneinandergereihten punktuellen Kontaktstellen z.B. im Darmepithel sehr feine Abstände, also Poren, die im Jejunum 0,8 nm, im Ileum 0,35 nm und im Kolon nur noch 0,25 nm weit sind. Die Occludinmoleküle füllen im Bereich des eigentlichen Kontaktes die äußere Schicht der Zellmembranen aus, reichen aber nur ein Stück weit über die innere elektronendichte Schicht der Zellmembranen ins Zellinnere hinein, wo sie an die Plaqueproteine ZO-1 und ZO-2 binden, an denen wiederum Aktinfilamente des Cytoskeletts befestigt sind. Die an die Innenseite der Zellmembran gebundenen Plaques sind nur wenige Nanometer stark und enthalten neben den ebengenannten ZO-1 und ZO-2 Plaqueproteinen noch ZO-3-Protein und Cingulin. Cingulin bindet an JAM, alle ZO-Proteine und Myosin. Durch letzters wäre die bei gesteigerter Gefäßpermeabilität zwischen Gefäßendothelzellen mögliche Erklärung, es könnte durch Zug vom Zellinneren her die Weite von Poren vergrößern und somit den Flüssigkeitsaustritt erleichtern. Die strukturelle Organisation der Tight-junctions soll von ZO-1 und ZO-2 gesteuert werden, die Bildung von Tight-junctions wird über G-Proteine, Kalziumionen und Proteinkinase C reguliert. Die eigentlichen Kontaktstellen der Tight-junctions sind so stabil und fest, daß weder Wasser noch Ionen durch sie hindurch gelangen können. Dies kann jedoch durch die obengenannten Poren erfolgen, deren Größe für die Diffusion von Wasser und kleinen Ionen sowie Molekülen vom Darmlumen über den Interzellularraum weiter in den unterhalb des Epithels gelegenen Zwischenzellraum (Insterstitium) entscheidend ist. Dies ist der Grund dafür, daß im Bereich des Jejunums 5 Liter, des Ileums 3 Liter und des Kolons nur noch 1,2 Liter Flüssigkeit aus dem Darmlumen per parazellulärem Transport aufgenomen werden.
Durch die netzartigen Tight junctions wird ferner verhindert, daß Zellmembranproteine der apikalen Zelloberfläche in tiefere Areale gelangen und umgekehrt Membranproteine der daruntergelegenen Abschnitte nicht an die zum Organlumen grenzende Membranfläche verlagert werden können. Auf diese Weise sorgen Tight junctions für die Aufrechterhaltung der Zellpolarität.
Tight-junctions befinden sich stets in dem obersten, zum Lumen eines Hohlorgans oder Blutgefäßes hin gelegenen, also apikalen Bereich zwischen zwei benachbarten Epithel- bzw. Endothelzellen. Sie gehören zu den Schlußleisten, deren obersten Abschnitt sie darstellen und finden sich in einem etwa 100 bis 300 nm hohen, den gesamten Zellumfang umfassenden Bereich. Letzterer befindet sich oberhalb der Gürteldesmosomen (Zonulae adhaerentes) und Fleckdesmosomen, die die nach unten folgenden Abschnitte der Schlußleisten darstellen.
Arten:
Je nach der Länge des Barrienkontakts werden unterschieden:
- Barrierenfleck (Terminologia histologica: Macula occuldens; englisch: macula occludens) am kürzesten und schmalsten
- Barrierenzone (Terminologia histologica: Zonula occuldens, Junctio occludens; englisch: tight junction, occluding junction) am häufigsten
- Barrierenfaszie (Terminologia histologica: Fascia occuldens; englisch: fascia occludens) am längsten und breitesten, selten

--> Zellmembran, Epithel, Schlußleiste, Zell-Zell Kontakte, Fleckdesmosomen, Gürteldesmosomen, Nexus
--> Elektronenmikroskopischer Atlas Gesamtübersicht
--> Homepage des Workshops 


Zwei Bilder wurden von Prof. H. Wartenberg zur Verfügung gestellt, übrige Abbildungen, Seite & Copyright H. Jastrow.